fs4001小流量氣體質量流量傳感器-廣州迪川儀器儀表有限公司
産品展示(shi)
PRODUCT DISPLAY
産品展(zhǎn)示 您現在的位(wèi)置: 首頁 > 産品展(zhan)示 > MF系列氣體流(liu)量計 > FS4001系列微小(xiǎo)流量計 >fs4001小流量(liang)氣體質量流量(liang)傳感器

fs4001小流量(liang)氣體質量流量(liang)傳感器

産品時(shi)間:2026-01-09

簡要描述:

siargo ltd fs4001小(xiao)流量氣體質量(liàng)流量傳感器是(shì)專門爲各類小(xiǎo)流量氣體的測(ce)量和過程控制(zhì)而設計的。這一(yī)系列傳感器均(jun)采用本🌈公司自(zi)主🔞研發的微機(jī)電系統(MEMS)流量傳(chuan)感芯片來制作(zuò),适用于各類清(qing)潔氣體。*的封裝(zhuāng)技術使之可用(yòng)于各類管徑,成(chéng)本低、易安裝、不(bú)需要溫度壓力(li)補償,可替代容(róng)積式或壓差式(shi)的傳統流量💁傳(chuán)感器。

微型(xing)小流量氣體流(liú)量計,廣州 氣體(ti)流量計, 深(shēn)圳 轉子流量計(ji), 廣東 實驗(yan)室氣體流量計(ji) ,東莞 數顯(xian)氣體質量流量(liang)計     小流量電磁(cí)流量計       微流量(liang)流量計      微小流(liu)量計       濕式氣體(tǐ)流量計      超聲波(bō)氣體流量計

fs4001小流量氣體(ti)質量流量傳感(gǎn)器

産品特點 傳感器靈敏(min)度高,有極小的(de)始動流量傳感(gan)器芯片采用熱(rè)質量🎯流量計量(liàng),無需溫度壓力(li)補償,保證了傳(chuan)感🈲器的高精度(dù)計量在✔️單個芯(xin)片上實現了多(duō)傳感器集❗成,使(shǐ)傳感器的💘量程(chéng)比大大提高傳(chuán)感器的👣零點穩(wen)定🐇度高全量程(cheng)高穩定🤞性全量(liàng)程高精确度和(he)優良的重複性(xìng)低功耗🌈低壓損(sǔn)響應🛀🏻時間快.
fs4001小流量氣體(ti)質量流量傳感(gan)器 主要參數:

性(xìng)能參數

FS4001

單位

通(tong) 徑

1.0

1.8

mm

大流量

30, 100, 200

500, 1000

SCCM

量程(cheng)比

≥100:1

精 度

±(1.5+0.2FS)

%

重複性(xing)

0.25

%讀數

零點輸出(chū)飄移

±30

mV

輸出飄移(yí)

±0.12

%/oC

響應時間

4, 8, 16, 33 , 65 , 131

工作(zuò)電源

8~18Vdc,50mA

輸出方式(shì)

線性,RS232/模拟電壓(yā)0.5~4.5Vdc

 

大流量壓損

350

300

pa

大(dà)工作壓力

0.5

MPa

工作(zuo)溫度

-10 ~ +55

oC

工作濕度

<95%RH(無結(jie)冰、無凝露)

 

可拆式軟(ruan)管接頭

 

校準方(fang)式

空氣(或其他(ta)氣體),20oC,101.325kPa

 

重量

15

g

 

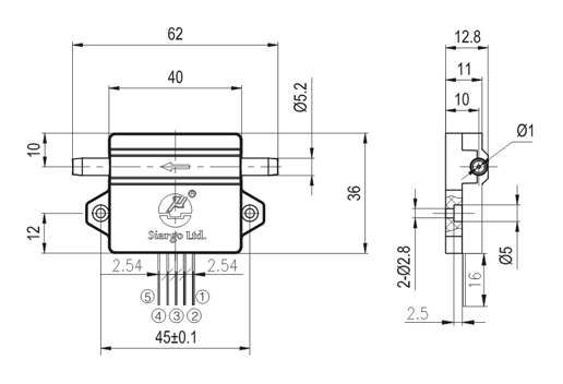
機械(xiè)尺寸:

留言框

  • 産(chan)品:

  • 您的單位(wei):

  • 您的姓(xìng)名:

  • 常用郵(you)箱:

  • 省份(fen):

  • 詳(xiáng)細地址:

  • 補充說明:

  • 請輸(shu)入計算結果(填(tian)寫阿拉伯數字(zi)),如:三加四=7
聯系方(fang)式
  • 電話

    86-020-31199948/85550363

  • 傳真

    86-020-85628533

在(zai)線客服
总 公 司(sī)急 速 版WAP 站H5 版无(wú)线端AI 智能3G 站4G 站(zhan)5G 站6G 站
·
·
·